Mini-DVS模块 小型化DVS模块 便携式寻线仪DVS模块

Mini-DVS 一体化模块是一款小型化分布式光纤振动传感产品。模块集成光源、调制、模拟信号输出单元,具备体积小、低功耗、噪声低、稳定性高、易于集成等特点,可适用于多种分布式监测场景。
| 模块参数 | 最小值 | 典型值 | 最大值 | 单位 | 备注 |
|---|---|---|---|---|---|
| 测量距离 | 20 | km | |||
| 脉冲宽度 | 10 | 100 | ns | ||
| 预热时间 | <5 | Min | |||
| 工作电压 | 4.9 | 5.0 | 5.2 | V | |
| 功率 | 2 | W | |||
| 工作温度 | -20 | 60 | ℃ | ||
| 存储温度 | -30 | 70 | ℃ | ||
| 工作波长 | 1550.12 | nm | |||
| 输出功率 | 100 | mw | |||
| 线宽 | <3 | kHz | |||
| 边模抑制比 | 50 | dB | |||
| 消光比 | 50 | dB | |||
| 光纤类型 | SM-9/125 | ||||
| 输出光纤接头类型 | FC/APC | ||||
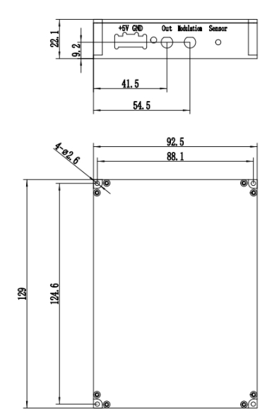
以下为Mini-DVS一体化模块的尺寸图,其整体尺寸为 124.6*92.5*22.1mm(不含连接器及光纤)。

Mini-DVS一体化模块接口定义如下表。
| 接口类型 | 丝印 | 说明 |
|---|---|---|
| 绿色插拔端子 | +5V | 直流电源+5V供电 |
| GND | 直流电源GND | |
| SMA | Out | 模块通道输出电压信号接口 |
| SMA | Modulation | 调制信号输入接口(3-5V) |
| 光纤接口 | Sensor | 传感光纤接口(FC/APC接头) |
打开产品包装盒,对照下面表格,确认包含下列附件,如果有缺失,请及时联系我们。
| 名称 | 数量 |
|---|---|
| Mini-DVS一体化模块 | 1 |
| 5V电源模块 | 1 |
| 供电线 | 1 |
| SMA射频线 | 2 |
| 产品测试报告 | 1 |
| 用户手册 | 1 |
| 产品合格证 | 1 |
| 产品类别 | 探测距离 | 通道数 |
|---|---|---|
| GY-Mini-DVS:Mini-DVS一体化模块 | 20:20km | 1:1通道 |
例如:探测距离为20km,1通道的Mini-DVS模块,具体型号为:GY-Mini-DVS-20-1

| DVS/DAS组件 | 备注 | 链接 |
|---|---|---|
| 3米空间分辨率的DAS一体化模块 皮带机托辊监测 | DAS一体化模块 | 查看 |
| 分布式光纤振动DVS/DAS硬件一体机 | 常规硬件一体机 | 查看 |
| 增强型DAS一体机 | 增强型DAS一体机 | 查看 |
| 啁啾高性能DAS一体机 | 高性能DAS一体机 | 查看 |
| 分布式光纤DAS一体化模块 | DAS一体化模块 | 查看 |
| AOM声光调制器 | AOM | 查看 |
| BPD465C 平衡光电探测模块 | 平衡探测器 | 查看 |
| 250M采样DAS专用高速数据采集卡 | 采集卡 | 查看 |
| 1G高速DAS数据采集卡 双通道 带AWG扫频源 | 采集卡 | 查看 |